Kontrolné medzipredmetové otázky podľa žiadaného učiteľa :)

Autor: Igor Krucovčin

Vytvorené: 16. 03. 2026 Tlačiť

Medzipredmetové kontrolné otázky sú otvorené otázky, ktoré slúžia na overenie pochopenia súvislosti vzdelávacieho obsahu prebranej (vysvetľovanej, naučenej) kapitoly (kapitol) s vedomosťami získanými predchádzajúcim štúdiom v inom školskom predmete alebo v inom kurze resp. školení.

Prakticky ide o cielené prepájanie vedomostí položením otázky, resp. viacerých otázok[1].

Ideálne je, ak je súčasťou kontrolnej otázky aj odpoveď.   

Ukážka medzipredmetových kontrolných otázok

Čo majú spoločné polovodičová dióda a jednosmerný pneumatický ventil?“; „Čo majú spoločné jednosmerný ventil s riadením a triak?

Prečo sú medzipredmetové konrolné otázky dôležité?

Medzipredmetové kontrolné otázky pomáhajú študentom pochopiť, že súčiastky využívané v rôznych oblastiach techniky majú rovnakú funkciu. Napríklad jednosmerné pneumatické ventily a polovodičové diódy prepúšťajú médium (stlačený vzduch a elektrický prúd) iba v jednom smere.

Už uvedené inak:

Medzipredmetové otázky pomáhajú študentovi pochopiť, že súčiastky s rovnakou funkciou (totožnou úlohou) sa využívajú v rôznych odboroch. Napríklad ako spätný ventil v hydraulike a dióda v elektrotechnike. Obe slúžia na prepúšťanie média či prúdu len v jednom smere. 

 

 
Polovodičová dióda a Jednosmerný pneumatický ventil

 

Obdobná veta platí aj o praktických zapojeniach.

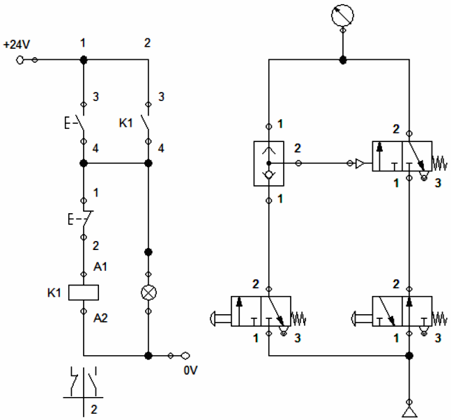
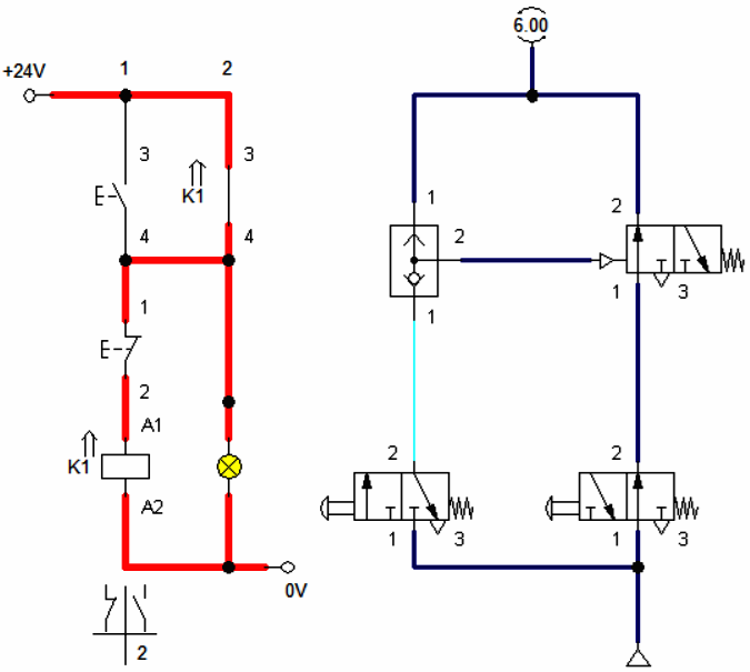
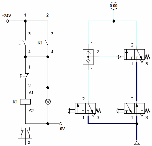
Samoprídrž v elektrotechnike a pneumatike
 
xx
Samoprídrž v elektrotechnike a pneumatike
 
[1] Rovnaký cieľ majú aj tzv. medzipredmetové vzťahy, ktoré sú integrálnou súčasťou každého Školského vzdelávacieho programu.

 

Na Encyklopédii poznania sú všetky kontrolné otázky, t.j. aj medziodborové, označené obrázkom: x

  

x Kontrolné otázky podľa žiadaného učiteľa
Hodnotenie užitočnosti článku:


    Umela inteligencia Novy narodopis Teoria poezie 3D-tlac Arduino Nove rekordy Prudove chranice Robotika Priemysel 4.0 a 5.0 Dejiny Slovenska do roku 1945 ang_znacky_fluidsim LOGOSoftComfort Novinky Historia elektromobilov Free e-kurzy Elektrina pre ZŠ Druhá svetová vojna Cvičebnice O troch pilieroch EP je spat Prehlad Fyzika Prehlad Informatika Ako sa učiť a ako učiť Dejiny sveta

     

    · Simulácie z fyziky 
    · O Slovensku po slovensky 
    · Slovenské kroje
    · Kurz národopisu
    · Diela maliarov
    · Kontrolné otázky, Domáce úlohy, E-testy - Priemysel
    · Odborné obrázkové slovníky
    · Poradňa žiadaného učiteľa
    · Rýchlokurz Angličtiny
    . Rozprávky (v mp3)
    · PREHĽADY (PRIBUDLO, ČO JE NOVÉ?)
    Seriály:
    · História sveta (1÷6)
    · História Slovenska (1÷5)
    · História módy (1÷5).

                                       
    Členstvo na portáli
    Mám účet a chcem sa prihlásiť Prihlásiť sa
    Nemám účet, ale chcel by som ho získať Registrovať sa
    Poznámka pre autora

    Ak ste na stránke našli chybu, dajte nám vedieť


    Copyright © 2013-2026 Wesline, s.r.o. Všetky práva vyhradené. Mapa stránky ako tabuľka | Kurzy | Prehľady