Autor: Doplnené 14. 09. 2025
Vytvorené: 26. 06. 2018 Tlačiť
|  | x |  | 
| Značky | ||
|  | x | P | x | prívodné tlakové vedenie | 
| T | odpadové beztlakové vedenie do nádrže | |||
| A, B | vedenia s riadeným smerom prietoku, pri vetvení môže byť tiež A1, A2, B1, B2... | |||
| P, T, A, B | prípojky ventilu | |||
| X | vedenia určené na prívod kvapaliny na ovládanie prvku | |||
| Y | vedenia určené na odvod kvapaliny na ovládanie prvku | |||
| Princíp | L | únik oleja (priesak) | 
|  | x |  | 
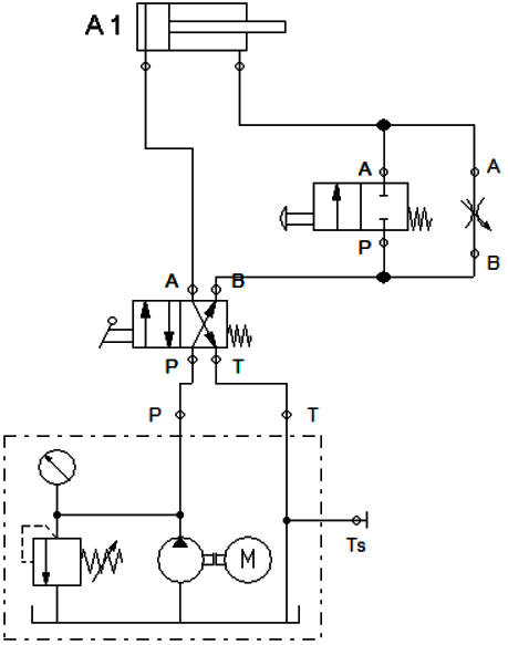
| Využitie 2/2-cestného a škrtiaceho ventilu na zmenu rýchlosti piestnice počas (v priebehu) jej vysúvania resp. zasúvania | ||
|  | 

| 
 · Simulácie z fyziky· O Slovensku po slovensky· Slovenské kroje· Kurz národopisu· Diela maliarov· Kontrolné otázky, Domáce úlohy, E-testy - Priemysel· Odborné obrázkové slovníky· Poradňa žiadaného učiteľa· Rýchlokurz Angličtiny. Rozprávky (v mp3)· PREHĽADY (PRIBUDLO, ČO JE NOVÉ?)Seriály:· História sveta (1÷6)· História Slovenska (1÷5)· História módy (1÷5).
 
            Členstvo na portáli
             
            Poznámka pre autora
             Copyright © 2013-2025 Wesline, s.r.o. Všetky práva vyhradené. Mapa stránky ako tabuľka | Kurzy | Prehľady |